5
5
1
22
22

Резистор тормозной РБ

  • Под заказ Проверено

Код товара: 220-542-7

+ 375 Показать телефоны

Заказать Заказать звонок

Характеристики

Производитель ОВЕН
Страна производитель Россиия

При торможении асинхронный двигатель отдает энергию назад в преобразователь частоты (работает в генераторном режиме) вследствие чего напряжение в звене постоянного тока повышается. Интенсивность торможения в этом случае зависит от потерь мощности в преобразователе и двигателе.

ПЧВ можно тормозить с мощностью около 20% от номинальной за счет собственных потерь двигателя и преобразователя. Этого обычно достаточно для не инерционных нагрузок, т.е. там, где кинетическая энергия невелика или время торможения не критично.

Если требуется произвести быстрое торможение, необходимо использовать тормозной ключ и резистор. При торможении электропривода тормозной резистор подключается к шине постоянного тока внутри преобразователя частоты, и на нем рассеивается энергия от электродвигателя. Это защищает преобразователь от блокировки по причине перенапряжения в звене постоянного тока и, соответственно, от остановки привода.

Все преобразователи частоты ОВЕН ПЧВ1,2 мощностью 1,5 кВт и более имеют встроенные тормозные ключи для подключения тормозных резисторов.

Тормозные резисторы являются необходимой опцией ПЧВ для работы с подъемно-транспортными механизмами (краны, лифты, наклонные транспортеры, подъемники), высокоинеционными применениями (дымососы, центрифуги, рольганги, тягодутьевые механизмы, транспортные тележки), некоторыми станочными применениями (токарно-винторезные, сверлильные, шлифовальные станки и др.)

Компания ОВЕН предлагает пользователям несколько типов тормозных резисторов.

Бюджетная линейка тормозных резисторов РБ1

Резисторы РБ1 представляют собой проволочные балластные резисторы с керамическим корпусом и степенью защиты IP00. Линейка включает в себя 2 типа резисторов:

  • 80 Ом, 1 кВт
  • 400 Ом, 200 Вт

Для каждого номинала мощности ПЧВ может быть использован один резистор или группа резисторов в параллельном включении для обеспечения необходимой мощности торможения. Выбираются исходя из продолжительности включения (ПВ) 10% от времени цикла.

Промышленные линейки тормозных резисторов РБ2, РБ3, РБ4

Резисторы РБ2,3,4 представляют собой балластные резисторы с алюминиевым или керамическим корпусом и степенью защиты IP54 или IP20. Линейка включает в себя 2 типа резисторов на каждый номинал мощности ПЧВ для ПВ 10% и 40%.

Резисторы этих линеек имеют исполнение для вертикального и горизонтального монтажа.

Тормозные резисторы промышленных линеек рекомендуются, если требуется:

  1. Компактный монтаж тормозного резистора
  2. Использование в тяжелых условиях работы (увеличенная мощность, выделяемая при торможении)
  3. Монтаж тормозного резистора вне шкафа управления (требуется высокая степень IP)

Технические характеристики

Параметр

Значение

РБ1

РБ2

РБ3

РБ4

Степень защиты.

IP00

IP20

IP54

Допустимая продолжительность включения ПВ, %

10

40

10

40

Класс защиты

0I

I

I

I

Способ охлаждения

С (Естеств. воздушный)

Диапазон рабочих температур,ºС.

-20 до +50

Класс точности, %.

10

Температурный коэффициент сопротивления, %/ ºС.

0,05

Температура перегрева,ºС.

до 300

Рабочее напряжение, В.

до 1000

Испытательное напряжение, В.

3000

Сопротивление изоляции, МОм

100

Примечание - указанное значение ПВ,% в таблице дано из расчета принятой продолжительности цикла Тц, равной 120с.

Параметры серии РБ1. ПВ = 10%, IP00.

Модификация РБ1

R, Ом

Рном, кВт

А, мм

Б, мм

В, мм

Масса, кг

РБ1-400-К20

400

0,20

25

70

310

0,4

РБ1-080-1К0

80

1,00

60

100

490

1,2

Параметры серии РБ2. ПВ = 40%, IP20

Модификация РБ2

R, Ом

Рном, кВт

А, мм

Б, мм

В, мм

Масса, кг

РБ2-038-5К0

38

5,00

500

350

350

16

РБ2-028-6К0

28

6,00

500

550

350

21

РБ2-022-8К0

22

8,00

500

550

350

22

РБ2-019-10К

19

10,00

500

550

350

22

Параметры серии РБ3. ПВ = 10%, IP54

Модификация РБ3

R, Ом

Рном, кВт

А, мм

Б, мм

В, мм

Масса, кг

РБ3-070-К20

70

0,20

165

60

30

0,47

РБ3-048-К20

48

0,20

165

60

30

0,47

РБ3-270-К20

270

0,20

165

60

30

0,47

РБ3-200-К20

200

0,20

165

60

30

0,47

РБ3-145-К30

145

0,30

215

60

30

0,62

РБ3-110-К45

110

0,45

285

60

30

1,10

РБ3-080-К57

80

0,57

300

60

30

1,30

РБ3-056-К68

56

0,68

300

60

30

1,30

РБ3-038-1К1

38

1,13

400

50

107

3,90

РБ3-028-1К4

28

1,40

400

50

107

4,00

РБ3-022-1К7

22

1,70

550

50

107

4,50

РБ3-019-2К2

19

2,20

550

50

107

6,50

Параметры серии РБ4. ПВ = 40%, IP54

Модификация РБ4

R, Ом

Рном, кВт

А, мм

Б, мм

В, мм

Масса,кг

РБ4-070-К57

70

0,57

504

188

170

4,0

РБ4-048-К96

48

0,96

832

188

170

6,0

РБ4-270-К57

270

0,57

504

188

170

4,0

РБ4-200-К96

200

0,96

832

188

170

6,0

РБ4-145-1К3

145

1,13

832

188

170

7,0

РБ4-110-1К7

110

1,70

748

303

150

11,0

РБ4-080-2К2

80

2,20

748

303

150

13,0

РБ4-056-3К2

56

3,20

948

303

150

16,5

Модификации

Тормозные резисторы обозначения при заказе

Параметр

Значение

РБ1

РБ2

РБ3

РБ4

Степень защиты

IP00

IP20

IP54

Допустимая продолжительность включения ПВ, %

10

40

10

40

Монтаж и эксплуатация

Закрытые взрывобезопасные помещения без агрессивных паров и газов, при атмосферном давлении от 80 до 106 кПа, с температурой в диапазоне, от - 20 до + 50 °С и относительной влажностью, от 5 до 95 %, без конденсации влаги. Максимальная высота над уровнем моря –1000 м.

Резисторы крепятся на несущую поверхность в вертикальном или горизонтальном положении с целью обеспечения доступа наибольшего количества охлаждающего воздуха ко всей поверхности охлаждения резистора. В противном случае, допустимая мощность рассеяния должна быть снижена на 20%.

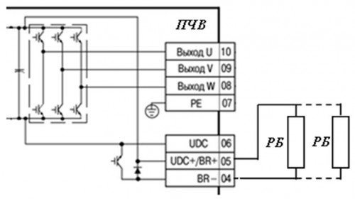
Схема подключения

Схема подключения тормозных резисторов

Комплектность

  1. Тормозной резистор
  2. Паспорт и руководство по эксплуатации
  3. Гарантийный талон

Контакты продавца

4.5

ПромКомплектПрибор ООО

  • 296 товаров компании

+ 375 Показать телефоны

Адрес:

220007, Беларусь, Минская обл., Минск, ул. Левкова 43, офис № 413

Сообщите поставщику, что нашли его на EnergoBelarus.by

EnergoBelarus.by не осуществляет проверку размещенной информации. Ответственность за несоответствие информации действующему законодательству Республики Беларусь несет компания-продавец согласно Пользовательскому соглашению

Информация о товарах и услугах на портале EnergoBelarus.by носит справочный характер и не является публичной офертой.

Резистор тормозной РБ купить или заказать можно у компаний, указанных на этой странице. Указанная цена может отличаться от фактической. Уточняйте цену и условия доставки у продавца заранее.

При любом использовании материалов активная гиперссылка на EnergoBelarus.by обязательна.

Если Вы заметили неточность или ошибку в описании или цене, пожалуйста, сообщите нам на почту info@energobelarus.by .

ООО «ДЕЛОВЫЕ СИСТЕМЫ СВЯЗИ»
Отраслевой информационно-аналитический портал, посвящённый энергетике Беларуси. Актуальные новости и события. Подробная информация о компаниях, товары и услуги.
220013
Республика Беларусь
Минск
ул. ул. Б. Хмельницкого, 7, офис 310
+375 (17) 336 15 55 , +375 (25) 694 54 56 , +375 (29) 302 40 02 , +375 (33) 387 08 05
+375 (17) 336 15 56
info@energobelarus.by
ЭнергоБеларусь

ЭнергоБеларусь

ЭнергоБеларусь

ЭнергоБеларусь

191611654
5
5
1
150
150