5
5
1
25
25

Напоромер НМП-100-М1Р

  • В наличии Проверено

Код товара: 257-389-3

Купить Заказать звонок

Характеристики

Назначение тягомеров ТмМП-100-М1Р, напоромеров НМП-100-М1Р, тягонапоромеров ТНМП-100-М1Р

Тягомеры ТмМП-100-М1Р, напоромеры НМП-100-М1Р, тягонапоромеры ТНМП-100-М1Р предназначены для измерения избыточного, вакуумметрического, а также разности избыточных и вакуумметрических давлений воздуха и неагрессивных газов.

Описание тягомеров ТмМП-100-М1Р, напоромеров НМП-100-М1Р, тягонапоромеров ТНМП-100-М1Р

Также ТмМП-100-М1Р тягомеры, НМП-100-М1Р напоромеры, ТНМП-100-М1Р тягонапоромеры предназначены для измерения избыточного, вакуумметрического, а также разности избыточных и вакуумметрических давлений газообразных агрессивных сред с содержанием сероводорода и сернистого ангидрида (исполнение «Астр»); для измерения и показания по шкале разности двух давлений неочищенного воздуха, для работы в окружающей среде, неагрессивной по отношению к алюминиевым и медным сплавам, стали; для измерения разности избыточных и вакуумметрических давлений газов и воздуха, а также среды, содержащей в малых концентрациях аккумуляторной серной кислоты, пара сурмянистого водорода и топлива ТГ-1, при воздействии указанных средств со стороны полости мембранной коробки.

Основные технические характеристики тягомеров ТмМП-100-М1Р, напоромеров НМП-100-М1Р, тягонапоромеров ТНМП-100-М1Р

ТмМП-100-М1Р (кПа) НМП-100-М1Р (кПа) ТНМП-100-М1Р (кПа) Класс точности
от –0,4 до 0 от 0 до +0,4 от –0,2 до +0,2 2,5
от –0,6 до 0 от 0 до +0,6 от –0,3 до +0,3
от –1 до 0 от 0 до +1 от –0,5 до +0,5 1,5; 2,5-1,5-2,5; 2,5
от –1,6 до 0 от 0 до +1,6 от –0,8 до +0,8
от –2,5 до 0 от 0 до +2,5 от –1,25 до +1,25
от –4 до 0 от 0 до +4 от –2 до +2
от –6 до 0 от 0 до +6 от –3 до +3
от –10 до 0 от 0 до +10 от –5 до +5
от –16 до 0 от 0 до +16 от –8 до +8
от –25 до 0 от 0 до +25 от –12,5 до +12,5
от –40 до 0 от 0 до +40 от –20 до +20

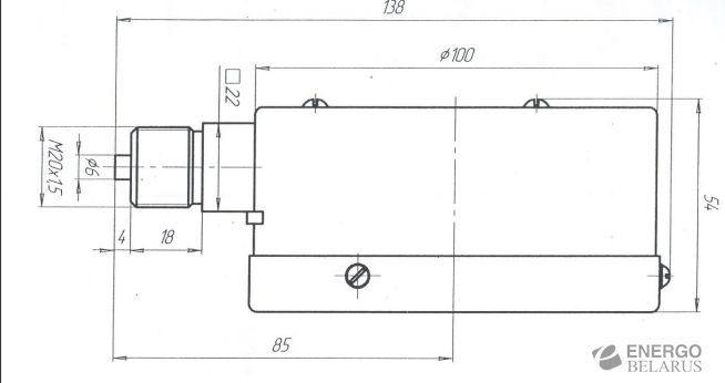
Габаритные и присоединительные размеры тягомеров ТмМП-100-М1Р, напоромеров НМП-100-М1Р, тягонапоромеров ТНМП-100-М1Р

Контакты продавца

Оставьте электронный заказ с помощью кнопки "Заказать" и мы подберем для Вас подходящую компанию поставщика.

Информация о товарах и услугах на портале EnergoBelarus.by носит справочный характер и не является публичной офертой.

Напоромер НМП-100-М1Р купить или заказать можно у компаний, указанных на этой странице. Указанная цена может отличаться от фактической. Уточняйте цену и условия доставки у продавца заранее.

При любом использовании материалов активная гиперссылка на EnergoBelarus.by обязательна.

Если Вы заметили неточность или ошибку в описании или цене, пожалуйста, сообщите нам на почту info@energobelarus.by .

ООО «ДЕЛОВЫЕ СИСТЕМЫ СВЯЗИ»
Отраслевой информационно-аналитический портал, посвящённый энергетике Беларуси. Актуальные новости и события. Подробная информация о компаниях, товары и услуги.
220013
Республика Беларусь
Минск
ул. ул. Б. Хмельницкого, 7, офис 310
+375 (17) 336 15 55 , +375 (25) 694 54 56 , +375 (29) 302 40 02 , +375 (33) 387 08 05
+375 (17) 336 15 56
info@energobelarus.by
ЭнергоБеларусь

ЭнергоБеларусь

ЭнергоБеларусь

ЭнергоБеларусь

191611654
5
5
1
150
150