5
5
1
22
22

Вентиляторы промышленные осевые KIPPRIBOR серии VENT

  • Под заказ Проверено

Код товара: 220-541-0

+ 375 Показать телефоны

Заказать Заказать звонок

Характеристики

Производитель ОВЕН
Страна производитель Россия

Предназначены для монтажа на радиаторы охлаждения электронного оборудования, в том числе на радиаторы твердотельных реле, а также для установки на впускные решетки шкафов управления. Кроме этого вентиляторы охлаждения KIPPRIBOR серии VENT используются в системах охлаждения промышленного оборудования для отвода избыточного тепла от нагревающихся поверхностей и деталей.

Вентиляторы KIPPRIBOR серии VENT обладают тщательно продуманной конструкцией корпуса и крыльчатки. Они стали первыми вентиляторами, в конструкции которых используется крыльчатка из магниевого сплава. Продуманность конструкции и особенности используемых материалов для производства вентиляторов VENT дают следующие преимущества перед конкурентами:

  • Крыльчатка из поликарбоната (PC) или магниевого сплава (Mg) позволяет Вам выбрать вентилятор со стандартными или улучшенными характеристиками.
  • Улучшенная теплоотдача за счет применяемых материалов и специального оребрения двигательной части крыльчатки увеличивает механический ресурс подшипников и расширяет температурный диапазон эксплуатации вентиляторов.
  • Высокая степень защиты IP55 вентиляторов, обусловленная особой конфигурацией корпуса и крыльчатки, позволяет использовать вентиляторы VENT во влажных и пыльных условиях.
  • Специальный герметичный канал IP55 защищает от влаги, пыли и механических воздействий проложенные в нем провода от двигателя до клеммника.
  • Улучшенные показатели ЭМС достигаются за счет применения крыльчаток из магниевого сплава.
  • Высокий уровень безопасности у всех вентиляторов обеспечивается применением закрытого клеммника и (по желанию заказчика) дополнительной установкой защитных решеток.
  • Расширенный ассортимент типоразмеров для установки на впускные решетки шкафов управления, радиаторы электронного оборудования, воздуховоды и системы охлаждения промышленного оборудования.

Все вышеперечисленные особенности выгодно отличают вентиляторы KIPPRIBOR серии VENT от аналогичных вентиляторов таких известных производителей как SUNON, FULLTECH и COMAIR.

Квадратные вентиляторы с пластиковой крыльчаткой

Квадратные вентиляторы с пластиковой крыльчаткой

Напряжение питания: 220 VAC/ 50 Гц.

Рабочая температура: -20...+85 °C.

Тип подшипника: подшипник качения.

Модификация

Pном.

Iном.

Скорость

вращения

Производительность

Уровень

шума

Вес

Кол-во

лопастей

VENT-8025.220VAC.7PSHB

15 Вт

0,08 А

2300 об/мин

0,5 м3/мин

30 дБ

270 г

7

VENT-8038.220VAC.5PSHB

15 Вт

0,07 А

2300 об/мин

0,7 м3/мин

30 дБ

260 г

5

VENT-9225.220VAC.7PSHB.C40

20 Вт

0,08 А

2650 об/мин

0,85 м3/мин

35 дБ

215 г

7

VENT-9238.220VAC.PSHB

14 Вт

0,08 А

2500 об/мин

1,1 м3/мин

37 дБ

340 г

5

VENT-12738.220VAC.PSHB

21 Вт

0,13 А

2700 об/мин

2,8 м3/мин

50 дБ

455 г

7

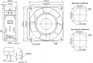
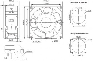
Габаритные и установочные размеры вентиляторов с пластиковой крыльчаткой

VENT-8025.220VAC.PSHB
VENT-8038.220VAC.PSHB
VENT-9238.220VAC.PSHB
VENT-12738.220VAC.PSHB
VENT-18060.220VAC.PSHB

Квадратные вентиляторы с крыльчаткой из магниевого сплава

Квадратные вентиляторы с крыльчаткой из магниевого сплава

Напряжение питания: 220 VAC/ 50 Гц.

Рабочая температура: -20...+85 °C.

Тип подшипника: подшипник качения.

Модификация

Pном.

Iном.

Скорость

вращения

Производительность

Уровень

шума

Вес

Кол-во

лопастей

VENT-12025.220VAC.5MSHB

12 Вт

0,07 А

2100 об/мин

1,84 м3/мин

50 дБ

320 г

5

VENT-12038.220VAC.5MSMB

14 Вт

0,08 А

2500 об/мин

2,2 м3/мин

41 дБ

455 г

5

VENT-12038.220VAC.5MSHB

21 Вт

0,13 А

2700 об/мин

2,4 м3/мин

49 дБ

450 г

5

VENT-12038.220VAC.5MSLB

9 Вт

0,05 А

2300 об/мин

1,98 м3/мин

39 дБ

455 г

5

VENT-15051.220VAC.5MSHB

45 Вт

0,35 А

2800 об/мин

5,7 м3/мин

57 дБ

925 г

5

VENT-16065.220VAC.7MSHB

27 Вт

0,12 А

2800 об/мин

7,33 м3/мин

59 дБ

1400 г

7

VENT-18065.220VAC.7MSHB

55 Вт

0,29 А

2600 об/мин

11,3 м3/мин

61 дБ

1840 г

7

VENT-18065.220VAC.7MSHB.SA

55 Вт

0,29 А

2800 об/мин

10,8 м3/мин

60 дБ

2510 г

7

VENT-20872.220VAC.7MSHB

85 Вт

0,38 А

2900 об/мин

26,9 м3/мин

71 дБ

2510 г

7

Напряжение питания: 24 VDC.

Рабочая температура: -20...+85 °C.

Тип подшипника: подшипник качения.

Модификация

Pном.

Iном.

Скорость

вращения

Производительность

Уровень

шума

Вес

Кол-во

лопастей

VENT-18065.24VDC.7MSHB

90 Вт

3,6 А

4000 об/мин

16,3 м3/мин

63 дБ

1570 г

7

VENT-20872.24VDC.5MSHB

95 Вт

4 А

3600 об/мин

23,3 м3/мин

77 дБ

1820 г

5

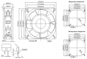
Габаритные и установочные размеры вентиляторов с крыльчаткой из магниевого сплава

VENT-12038.220VAC.MSMB
VENT-15051.220VAC.MSHB

Овальные вентиляторы с крыльчаткой из магниевого сплава

Овальные вентиляторы с крыльчаткой из магниевого сплава

Напряжение питания: 220 VAC/ 50 Гц.

Рабочая температура: -20...+85 °C; -20...+100 °C для VENT-17251.220VAC.5MOHB.H10

Тип подшипника: подшипник качения.

Модификация

Pном.

Iном.

Скорость

вращения

Производительность

Уровень

шума

Вес

Кол-во

лопастей

VENT-17251.220VAC.5MOHB.H10

30 Вт

0,20 А

2700 об/мин

5,1 м3/мин

56 дБ

960 г

5

VENT-17255.220VAC.5MOHB

45 Вт

0,28 А

2600 об/мин

5,38 м3/мин

58 дБ

1100 г

5

VENT-17255.220VAC.7MOHB

45 Вт

0,28 А

2600 об/мин

5,38 м3/мин

55 дБ

1115 г

7

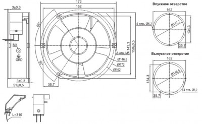
Габаритные и установочные размеры овальных вентиляторов с крыльчаткой из магниевого сплава

VENT-17251.220VAC.MOHB

Круглые вентиляторы с крыльчаткой из магниевого сплава

Круглые вентиляторы с крыльчаткой из магниевого сплава

Напряжение питания: 24 VDC.

Рабочая температура: -20...+85 °C.

Тип подшипника: подшипник качения.

Модификация

Pном.

Iном.

Скорость

вращения

Производительность

Уровень

шума

Вес

Кол-во

лопастей

VENT-22260.24VDC.5MRHB

60 Вт

2,5 А

4000 об/мин

19,4 м3/мин

68 дБ

1635 г

5

VENT-22280.24VDC.3MRHB

55 Вт

2,3 А

3000 об/мин

17,6 м3/мин

70 дБ

1675 г

3

VENT-25490.24VDC.3MRHB

100 Вт

4,2 А

3000 об/мин

29,1 м3/мин

61 дБ

1905г

3

VENT-22580.24VDC.9MRHB

86 Вт

3,6 А

3600 об/мин

21,3 м3/мин

69 дБ

2020 г

9

VENT-28080.24VDC.7MRHB

100 Вт

4,2 А

2950 об/мин

32,2 м3/мин

74 дБ

2705 г

7

Напряжение питания: 220 VAC/50Гц.

Рабочая температура: -20...+85 °C.

Тип подшипника: подшипник качения.

Модификация

Pном.

Iном.

Скорость

вращения

Производительность

Уровень

шума

Вес

Кол-во

лопастей

VENT-22260.220VAC.5MRHB

40 Вт

0,25 А

2800 об/мин

12,09 м3/мин

63 дБ

1635 г

5

Модификации

Обозначение при заказе вентиляторов KIPPRIBOR серии VENT

Контакты продавца

4.5

ПромКомплектПрибор ООО

  • 296 товаров компании

+ 375 Показать телефоны

Адрес:

220007, Беларусь, Минская обл., Минск, ул. Левкова 43, офис № 413

Сообщите поставщику, что нашли его на EnergoBelarus.by

EnergoBelarus.by не осуществляет проверку размещенной информации. Ответственность за несоответствие информации действующему законодательству Республики Беларусь несет компания-продавец согласно Пользовательскому соглашению

Информация о товарах и услугах на портале EnergoBelarus.by носит справочный характер и не является публичной офертой.

Вентиляторы промышленные осевые KIPPRIBOR серии VENT купить или заказать можно у компаний, указанных на этой странице. Указанная цена может отличаться от фактической. Уточняйте цену и условия доставки у продавца заранее.

При любом использовании материалов активная гиперссылка на EnergoBelarus.by обязательна.

Если Вы заметили неточность или ошибку в описании или цене, пожалуйста, сообщите нам на почту info@energobelarus.by .

ООО «ДЕЛОВЫЕ СИСТЕМЫ СВЯЗИ»
Отраслевой информационно-аналитический портал, посвящённый энергетике Беларуси. Актуальные новости и события. Подробная информация о компаниях, товары и услуги.
220013
Республика Беларусь
Минск
ул. ул. Б. Хмельницкого, 7, офис 310
+375 (17) 336 15 55 , +375 (25) 694 54 56 , +375 (29) 302 40 02 , +375 (33) 387 08 05
+375 (17) 336 15 56
info@energobelarus.by
ЭнергоБеларусь

ЭнергоБеларусь

ЭнергоБеларусь

ЭнергоБеларусь

191611654
5
5
1
150
150